Nuestra Tapón de sellado de nailon IP68 está diseñado para sellar de forma segura y eficaz los orificios roscados no utilizados. La cabeza redonda proporciona un cierre de perfil bajo, impermeable y a prueba de polvo para cualquier equipo.
Características principales

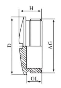
| Rosca métrica | Número de producto | Longitud de la rosca GL (mm) |
D.E. de la rosca AG(mm) |
Altura total
OL (mm) |
Círculo
(mm) |
| M12 × 1.5 | NSCM12 | 8.5 | 12 | 12.5 | 15 |
| M16 × 1.5 | NSCM16 | 8.5 | 16 | 13.0 | 19 |
| M18 × 1.5 | NSCM18 | 9.0 | 18 | 13.0 | 22 |
| M20 × 1.5 | NSCM20 | 9.0 | 20 | 13.0 | 25 |
| M22 × 1.5 | NSCM22 | 10.5 | 22 | 15.0 | 27 |
| M25 × 1.5 | NSCM25 | 10.5 | 25 | 15.5 | 33 |
| M27 × 1.5 | NSCM27 | 10.5 | 27 | 16.0 | 38 |
| M32 × 1.5 | NSCM32 | 11.5 | 32 | 18.0 | 46 |
| M40 × 1.5 | NSCM40 | 13.5 | 40 | 19.0 | 56 |
| M63 × 1.5 | NSCM63 | 14.0 | 63 | 19.0 | 68 |
| Rosca de tornillo | Número de producto | Longitud de la rosca GL (mm) |
D.E. de la rosca AG(mm) |
Altura total
OL (mm) |
Círculo
(mm) |
| PG7 | NSCPG7 | 8.5 | 12.5 | 12.5 | 15 |
| PG9 | NSCPG9 | 8.5 | 15.2 | 13.0 | 19 |
| PG11 | NSCPG11 | 9.0 | 18.6 | 13.0 | 22 |
| PG13.5 | NSCPG13.5 | 9.0 | 20.4 | 13.0 | 25 |
| PG16 | NSCPG16 | 10.5 | 22.5 | 15.0 | 27 |
| PG21 | NSCPG21 | 10.5 | 28.3 | 15.5 | 33 |
| PG29 | NSCPG29 | 11.5 | 37 | 16.0 | 44 |
| PG36 | NSCPG36 | 13.5 | 47 | 18.0 | 55 |
| PG42 | NSCPG42 | 13.5 | 54 | 18.5 | 62 |
| PG48 | NSCPG48 | 14.5 | 59.3 | 19.5 | 68 |